
智能型多台冗余储能变流器削峰填谷补偿系统在国内得到较广泛应用,总体运行情况良好,在削峰填谷补偿方面具有诸多的优越性能。
一、削峰填谷能量补偿功能
削峰填谷能量补偿属于电能质量调节技术领域。通过专门的控制器检测电网供电状态,当电网出现波峰扰动时,控制储能变流器通过整流对直流侧蓄能装置充电,将电能进行存储,当电网出现波谷扰动时,控制储能变流器将直流侧能量逆变为交流电并入电网,缓解电网的峰谷波动起到削峰填谷作用。
二、智能型多台冗余储能变流器削峰填谷补偿系统
智能型多台冗余储能变流器应用在削峰填谷能量补偿中,仅需要一台功率分配控制装置就可以实现协调控制多台冗余变流器进行削峰填谷补偿的功能。使其具有更灵活的工程现场应用,扩展了应用范围。同时多台协调控制可以提高补偿系统的可靠性和补偿效果。
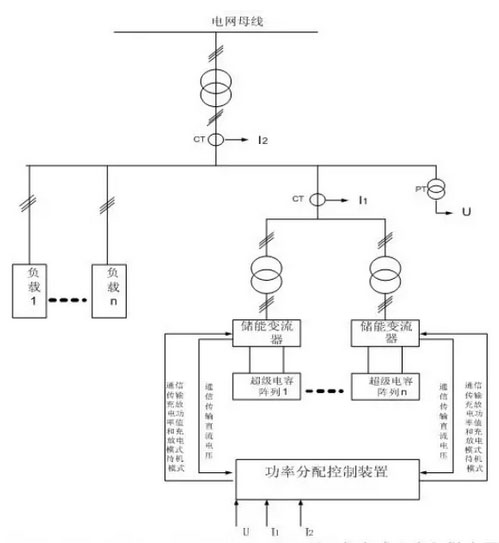
智能型多台冗余储能变流器削峰填谷补偿装置由储能变流器、超级电容器阵列、功率分配控制装置和变压器组成。储能变流器是三相PWM变流器,可以实现能量的双向流动。通过PWM控制可以减小网侧的谐波分量。功率分配控制装置通过对电压电流采样计算后,负责协调分配控制命令给多台冗余的储能变流器。功率分配控制装置的核心控制器件是DSP28335芯片。超级电容阵列接在储能变流器的直流侧,交流侧经变压器接入电网。智能型多台冗余储能变流器削峰填谷补偿装置原理如图。

智能型多台冗余储能变流器在削峰填谷能量补偿装置原理

