
近年来,我国新能源并网装机和消纳总量高增长。截至2015年底,我国风电累计装机容量达128.3GW,全国风电发电量为185.1TWh,装机总量居世界第一,但是严重的弃风问题制约着我国从世界大风电装机国迈向世界最大风电利用国。风力资源最丰富的“三北”地区也是弃风最为严重的地区,以吉省为代表,弃风率连年超过30%,风电消纳问题引起社会的广泛关注。现阶段国内各研究机构围绕弃风题,基于电网实际运行情况,从机理上深入探讨,分问题产生的根源,致力于找出科学的解决途径。
国网吉林省电力有限公司电力科学研究院(以简称“国网吉林电科院”)经过多年在新能源领域中不懈努力,已经建立了一支“风电并网技术一网源协技术一风电消纳技术”闭环式科技攻关团队,人才优明显,技术实力雄厚,具有良好的试验与理论基础。前拥有一个中心,两个省级工程实验室,即吉林省风并网技术研究与检测中心、吉林省风电并网技术及消能力研究工程实验室和大电网仿真实验室。近三年,网吉林电科院在新能源技术领域中先后承担了国网司、吉林省科技厅和工信厅等相关科技项目34项,究成果全部达到国内领先水平及以上,并建设了多个范工程进行推广应用,在风电消纳方面取得了诸多实经验。
我国“三北”地区弃风的主要原因
分析我国“三北地区”弃风问题产生的根源,要表现在低负荷、供热期电网向下调峰能力不足和电外送能力弱。
“三北”地区新能源装机与负荷呈逆相关,负占全国总负荷的36%,但风电装机占了全国的70%,电渗透率高达70%,其中,蒙东的风电渗透率已经超100%。而山东、江苏的风电装机总量也很大,但基本实了全额消纳。因此,低负荷是制约风电消纳的根本原因。
冬季供热是“三北”地区的固有特点,以吉林为例。吉林省电源结构以火电为主,达到省调直调装的75.5%,供热机组又占了火电机组的总装机的92%为保证冬季采暖,供热机组“以热定电”,不能深度峰,调峰能力仅为20%左右。而整个东北区域抽水蓄等灵活调节电源占比只有1.5%。负荷低谷时,电网下调峰异常艰难,恰逢风电需求大,造成了大量的风。经统计,东北地区90%以上的弃风电量发生在供期,负荷低谷弃风电量又占总弃风的80%基于以上两点,风电消纳对电网外送提出了更高求。然而,目前国内的电网仍不能满足“三北”的风电送。截至2015年底,东北电网新能源装机已达25.5GW电力富余20GW以上,跨区外送华北地区的输电能力有3GW,电网外送能力较弱。
风电消纳的解决措施和储能的需求分析
对“三北”地区弃风问题产生的根源,解决“北”地区风电消纳的有效措施可概括为以下三个方面即提高火电机组的电源调节能力,加快推进抽蓄电站设;积极推进“三北”电网的特高压直流外送通道设,加强送受端交流电网建设,保证跨区直流能够大率运行;推进煤改电供热等电能替代,推广风电供暖同时加强需求侧响应,实现负荷调峰。
以上三个措施都需要打破现有的电力生产和消耗时平衡,而储能技术具有多能转换和能量时移的特点是协调电源和负荷的有效手段。储能技术既包括热储等广义储能,也包括电化学储能,如铿电池、液流电等。大规模储能系统可在电力系统发、输、用电多个节中应用,其可协调火电机组进行灵活性改造,提高组的深度调峰能力,可为送受端电网提供快速功率释和支撑,提高特高压直流输电的稳定性,可作为可控荷参与电网调峰,提升负荷的可调度性。因此,大规储能系统能够多维角度为风电消纳提供负荷空间,是决弃风的的必然需求。
储能的多环节应用提升风电消纳的机理
蓄热式电锅炉作为一种广义的储能系统,协调电机组进行灵活性改造实现深度调峰,为消纳风电提负荷空间。该项技术在北欧地区的应用最为成熟,丹最为典型。随着国家政策的支持,“三北”地区多家电厂开展蓄热式电锅炉融合机组进行灵活性改造项目利用电锅炉解祸热电机组的“以热定电”模式,配置电锅炉容量决定了其机组深度调峰的能力。负荷低谷段,降低热电机组出力,由此损失的供热量由配置的锅炉运行补充,多余的热量存入蓄热罐,在热负荷高期释放。火电机组灵活性改造后一方面实现了热电机的深度调峰,另一方面实现了负荷时移,大大增加了电消纳的负荷空间。
利用弃风电量进行电供热是解决“三北”地区风问题的有效手段。夜间负荷低谷时段,利用谷电电或者协定的弃风电价对蓄热式电锅炉加热,一方面向热管网提供热负荷,另一方面将多余热能储存至蓄罐中,以满足次日电价高峰期的热负荷要求。然而电炉的功率调节系统受机械部件制约,调节速率与风功快速波动不匹配,无法实现最大限度的消纳风电。电学储能具有电能双向流动,有功、无功的灵活调节等点,其协调电锅炉能够改善其调节灵活性,具备跟踪风功率的能力,提高风电供热的经济性。
为了解决东北地区窝电问题,提高新能源外送消能力,2017年新建扎鲁特一山东青州士800kV特高压流输电及其配套工程,该工程投运后最大可外送出力10OOOMW,但该工程投运后,全省电网结构与运行性发生巨大改变,电网事故的构成要素更加复杂。当直流线路满负荷运行发生单级或双极闭锁后,松白地频率将瞬间提高1Hz,重要500kV变电站电压将被迫高至1.22(pu),为保证电网的频率和电压稳定,电将会通过稳控装置切除大量风电机组,严重影响新能的消纳,也为电网带来了巨大冲击。随着大功率PCS术的快速推进,大规模的电池储能电站若达到毫秒级响应时间,将会为扎鲁特直流的单极或双极闭锁提供速功率释放,提高直流输电的频率和电压稳定性,进提升风电消纳能力。
由于用电存在峰谷电价,通过储能可实现用电荷的转移,谷充峰放不仅可以增加低谷负荷促进风电纳,还存在盈利的可能性。若采用储能分布式并网,中管理,引入负荷集成商的运营模式,可大幅提高负的调度性,再结合风电功率预侧,可显著提升风电的纳能力。
重点示范工程
华能长春热电厂(2X300MW)火电机组灵活造工程是国网吉林电科院最新承担的调试项目。该项配置了320MW的固体蓄热式电锅炉进行机组灵活性造,进而提高机组的深度调峰能力,其拓扑图如图1示。依据现行的电价政策,火电机组改造盈利的关键于其参与深度调峰辅助服务费补贴。以该工程为例,造前供热期热电机组最小技术出力为320MW,改造机组出力可降低至0MW,负荷率为0%。该项目总投为3.55亿元,考虑其固定资产折旧费、大修费、材料和用电电价等因素,供热期内当机组参与深度调峰天为150天时,调峰辅助服务费大于0.44元/}kWh,项可实现盈利。根据《东北电力辅助服务市场运营规(试行)》,热电机组负荷率}40%时,辅助服务费0.4一1元之间。因此,该工程参与辅助调峰的电价补平均值为0.88元,有巨大的盈利空间,但这完全依赖政策的持续性,存在一定的风险。

图1 蓄热式电锅炉协调热电机组灵活性改造
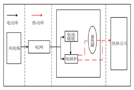
“储能融合可控负荷提升供热地区风电就地消能力的关键技术研究及应用”是国网吉林电科院牵的国家电网公司项目。项目最终成果在中广核大安洁能源供热工程进行示范应用,拓扑图如图2所示。

图2 储能融合蓄热式电锅炉提升风电消纳模式
移动式兆瓦级储能系统原理及实物图如图3、图4所示。其中,风电场装机容量为200MW,蓄热式电锅炉额定率为30MW,铿电池储能系统容量为1MW0.5MWh储能协调蓄热式电锅炉在夜间采用低谷电价时段跟风电预测出力、电锅炉制热并蓄热的运行模式。通不同热负荷需求以及电网运行约束下的试验验证,一步掌握风电一储能一蓄热式电锅炉联合运行控制调度管理等核心技术,解决风电一蓄热式电锅炉运适配性问题,实现多种资源的综合利用。储能系统置后可增加风电消纳电量比例6%,有效减少了风电风量。

图3 移动式储能系统原理图

图4 移动式储能系统实物
结束语
低负荷、供热期电网向下调峰能力不足和电网外能力弱是我国“三北”地区弃风的根源,储能技术在力系统的多环节应用已成为解决风电弃风的有效途径。
除了储能的应用技术需要继续发展成熟外,有效的运模式、市场机制和政策支撑也是至关重要的,形成的议如下。
1)应用技术。探索并实践储能系统在能源互联中的多种应用发展模式,如储能参与需求侧响应、电调频等多种辅助服务等,并分析不同应用下储能系统技术经济性,提出有效的运营模式。
2)市场机制。探索适宜储能发展的电价结构,括其在不同应用模式下的补贴方式及其退出机制,多化投资主体及金融环境。
3)政策引导。完善并推广国家现行的激励政策为储能在电力系统多环节中广泛应用提供一个稳定政策环境,激发国内发电、电网企业和用户的投资情。

- 最新评论
- 我的评论