纹波噪声是衡量电源的一个重要指标,一个好的电源必须要把输出纹波噪声控制在一个合理的范围内。但一般有哪些行之有效的降低纹波噪声的对策呢?下面我们抛砖引玉,简单讨论常用的八个方法。
1、电源PCB走线和布局
反馈线路应避开磁性元件、开关管及功率二极管。
输出滤波电容放置及走线对纹波噪声至关重要,如图1所示,传统设计中由于到达每个电容的阻抗不一样,所以高频电流在三个电容中分配不均匀,改进设计中可以看出每个回路长度相当即高频电流会均匀分配到每个电容中。
图1 电源PCB走线优化
如果PCB是多层板,可以选择和主电流回路层最近一层覆地,覆地可以有效的解决噪声问题,注意,尽量保证覆地的完整性。
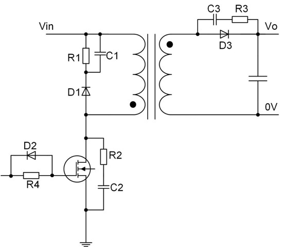
2、场效应管D级与输入正之间加RCD
一般选择场效应管的反向恢复时间要比二极管D1慢2~3倍,以避免形成直通电流,此电流会产生很强的磁场,可增大输出噪声干扰,所以可人为的通过栅极电阻R4来减慢开关管的开关速度。为了不影响关断速度可以在栅极电阻并联一个二极管D2如图2所示。
图2 场效应管优化电路
3、场效应管DS端并联RC
可以在场效应管DS两端并联一个RC电路也可以有效的降低噪声干扰如图2所示,电容C2一般在100P左右,电容值过大会导致场效应管的开关损耗加大,电阻R2一般选取小于10Ω电阻。
4、输出二极管两端并联RC
二极管在高速导通和关断时,反向恢复期间,二极管的寄生电感和电容会产生高频振荡,为了抑制高频振荡可在二极管两端加RC缓冲电路如图2所示,电阻R3一般在1Ω~100Ω,电容C3一般在100pF~1nF,如果电源工作频率较低,效率满足要求的话,二极管D3可以选择反向恢复时间较慢的二极管。
5、输出加二级LC滤波
LC对噪声和纹波抑制效果比较明显,根据纹波频率选择合适电感电容值,但由于柱形电感价格低体积小的优点,所以一般LC中电感大都会选择柱形电感,然而柱形电感是开放式磁结构,对周围会产生较严重磁干扰,我们可以采用两个电感并排放置,且电流流入方向相反,即有助于引导磁通从一个磁柱到另一个磁柱,从而可以降低电磁干扰,如图3所示。
图3 二级LC滤波原理
6、变压器初次级之间加法拉第屏蔽层
变压器的绕组通过高频电流时,变压器将变成有效的磁场天线,变压器绕组又承受跳跃电压,即变压器也变成了电场天线,在初次级之间加法拉第屏蔽层可收集隔离边界处的噪声电流,并予以转移到原边地,但铜箔应为非常薄的铜箔带,尽量避免涡流损耗并减小漏感,注意,铜屏蔽层末端不应有电连接,否则会形成磁短路。
7、降低变压器漏感
采用三明治绕法可使初次级绕组耦合更加紧密,使漏感得以减小,从而到达减小噪声的目的。
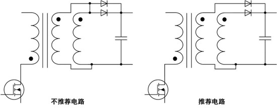
8、变压器输出绕组并联的合理设计
当电源输出电流较大时,通常我们会采用两个绕组并联的方式进行使用,这两个绕组通常分置于原边绕组内外,所以直流阻抗会略有差异,从而有可能产生内部环流,电压波形也会出现严重的振铃,并且电磁干扰会变的更加严重,以及有可能会出现意外的大量发热,如果输出绕组一定需要并联使用,最好采用如图4的推荐电路,图4推荐电路中二极管可以消除两个不同绕组的不均匀导致的负面影响。
图4 变压器输出绕组并联推荐电路
小结:
在设计电源时,有上述八种方式可降低输出的纹波噪声,如果选用成品电源,不管是模块电源、普通开关电源、电源适配器等,这部分的工作一般都由电源设计厂家完成,客户只需关注规格书写明的输出纹波噪声即可。

- 最新评论
- 我的评论