
小容量电池多并还是大容量电池少并是电动汽车系统设计中需要面临的实际选择。如BMW i3和Mitsubishi iMiEV选择的是大容量电池少并的方案,而Tesla Model S、VW e-Golf和Nissan Leaf选择的是小容量电池多并。那这两种方案中,究竟哪一种更安全呢?戴姆勒公司的Sascha Koch等人结合实验和模型深入研究了针刺触发多并电池热扩散的放电过程,发现小容量电池多并更为安全,成果以Discharge by Short Circuit Currents of Parallel-ConnectedLithium-Ion Cells in Thermal Propagation发表在期刊Batteries上。
一.不同SOC下电池加热热失控行为

图1. 电池不同SOC下加热触发热失控温度及能量释放。

图2. 电池不同SOC下加热热失控重量损失。
实验使用的电池为NMC体系、容量40 Ah的软包电池。在多并电池热失控实验之前,作者先考察了电池在不同SOC下加热的热失控行为,实验示意图如图2所示。软包电池被夹具固定,通过加热板加热触发热失控。如图1和图2所示,随着电池SOC从30%增加到100%,加热触发热失控的起始温度不断降低,同时电池热失控释放的能量和失重量不断增加。值得注意的是图1中100%SOC电池热失控释放的能量反而较90%SOC有所降低,而失重却显著增大,作者判断这是由于100%SOC下电池热失控极为猛烈导致很多未来得及反应的内容物喷出所致(注:这一现象很关键,在企业中测试也能观察到类似现象)。此外,图1中未给出0%-20%SOC下电池的热失控触发温度和能量释放,这主要是此SOC范围电池热失控温度不好判断所致。从以上结果不难看出,SOC状态越低电池相对更为安全。
二.12P2S模组针刺触发热扩散实验

图3. 针刺触发多并电池热扩散实验装置图。图中1为模组中的电芯,2为夹具,3为busbar,4为完整模组,5为针刺触发器,6-9为连接线。

图4.针刺触发12P2S模组热扩散过程电流值变化。其中电流为正值表示该电池在充电,负值表示该电池在放电。图中的灰色区域表示单个电池的可见热失控过程。
随后,作者利用图3所示装置分别对6P4S、12P2S和24P1S的模组进行了针刺触发热扩散实验,并监测了整个热扩散过程每个电池的电流变化。图4所示为针刺触发12P2S模组热扩散过程电流值变化。以电池1为例,被针刺后充电电流峰值约Icell1 ≈80 A,而其他各电池放电电流值Icell2–12≈4-15 A,根据基尔霍夫公式电Icell1 应为。此外,热失控过程电流值较高(图中灰色区域),热失控后电流值显著降低,表明热失控过程电池1的电阻Rtr较小,而热失控后电池1的电阻Rptr显著增大。其他各电池热失控过程电流值变化同电池1类似,6P4S和24P1S模组热扩散现象同图4所示的12P2S模组类似。
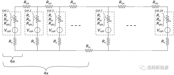
三.6P4S、12P2S和24P1S模组等效电路模型

图5. 多并电池等效电路模型。
表1. 等效电路模型中各参数意义及数值。

为了更好的分析针刺触发多并电池模组热扩散过程电流值变化,作者利用等效电路模型进行了模拟分析,并同实测结果进行了对比。

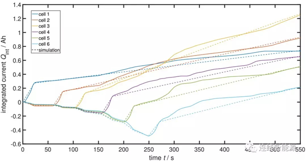
图6. 针刺触发12P2S模组热扩散过程实测结果和等效电路模拟结果对比。
从图6实测结果和模拟结果看,针刺触发模组热扩散过程单一电池行为可分为三个阶段:首先,热失控开始时被针刺电池电流值陡然增大,表明此时该电池电阻较小,其他健康电池对其放电;随后,热失控结束后电流缓慢上升,表明电池电阻显著增大,其他电池对外放电放缓;最后,相邻电池发生热失控,重复前一电池的行为。如此重复,直至最后一个电池热失控结束。从图中还可以看到热失控过程电流实测值和模拟值符合较好,而热失控后二者之间偏差较大。

图7. 等效电路模型模拟得到的Rtr预估值(a)和Rptr预估值。
等效电路模型模拟结果显示,Rtr值在20-180 mΩ范围变化,均值为92 mΩ。从图7a可以观察到后发生热失控电池的Rtr值呈不断增大趋势,作者认为这是热失控导致模组中的约束变弱、电池膨胀增大所致。Rptr值在0.2-1.5 Ω范围变化,均值为0.54 Ω,但数据点极为范围没有显著规律。
四.6P4S、12P2S和24P1S模组等效电路模型

图8. 刨除测量设备影响后的等效电路模型:(a)电池热失控结束后部分,其中没有电池处在热失控阶段;(b)电池热失控结束部分,但其中有一电池处在热失控阶段;(c)未发生热失控的健康电池部分。
为了更好的模拟分析模组热扩散过程,作者刨除了测量设备的影响,并重新设计了等效电路模型。新的等效电路模型共包含三部分,具体如图3所示。模型中所用的参数同表1中的参数一致。

图9. 不同因素对模组热扩散过程的影响:(a)电池内阻Ri;(b)放电电池数量;(c)连接电阻Rcn;(d)热失控过程的Rtr;(e)热失控后的Rptr。
以多并电池模组中最后一个电池放电容量为考察点,图9系统总结了新等效电路模型得到的各因素对模组热扩散过程的影响结果。对比各因素的影响不难看出,Rptr值对电池放电容量的影响最大(图9e),尤其是并联电池数量增加、Rptr值减小的情形下。如上所述,Rptr值会受模组约束状态的影响,因此控制模组的约束状态对热扩散结果有显著影响。此外,从结果看共24个电池的多并模组热扩散过程最后一个电池的放电量CDCH≈6-10 Ah。结合图1和图2结果显示30%SOC以下电池更为安全,不难想到如果多并模组中电池单体总容量Ccell ≈10–15 Ah,就可以确保放电后电池SOC低于30%,从而降低电池热失控猛烈程度甚至阻止热扩散的发生。因此,在这个意义上讲,小容量电池多并较大容量电池少并更为安全。

- 最新评论
- 我的评论